服务热线
0755-28620822   13798507917

智能化实验室的自动化系统

栏目:实验室自控工程 发布时间:2020-08-18
智能化实验室的自动化系统

实验室智能化不仅是一门技术,更是一种理念、一种潮流,它将实验室世界带入一个崭新的时代,改变着人们的观念,影响着人们的工作方式,体现了实验室的现代管理模式,充分演绎实验室的科技精髓。

▲ 智能化实验室5大系统

智能化实验室是综合计算机、信息通信等方面的最先进技术,使建筑物内的电力、空调、照明、防灾、防盗、运输设备等协调工作,实现楼宇管理自动化(BA)、通信自动化(CA)、办公自动化(OA)、安全保卫自动化系统(SAS)消防自动化系统(FAS),将这5种功能结合起来的实验室建筑,能够实现综合自动化、信息化,使大楼的用户获得了安全、高效、舒适、便利的建筑环境和办公环境,达到节能减排、提高效率的目的。



▲ 实验室控制系统发展结构图


一、楼宇自动控制系统

楼宇自动控制系统针对实验室内各种机电设备进行集中管理和监控。主要包括:空调及新风系统、送排风系统、冷冻站系统、热交换站系统、变配电系统、照明系统、给排水系统、电梯系统及消防系统等。在整个楼宇范围内,通过整套楼宇自动控制系统及其内置最优化控制程序和预设时间程序,对所有机电设备进行集中管理和监控。在满足控制要求的前提下,实现全面节能,用控制器的控制功能代替日常运行维护的工作,大大减少日常的工作量,减少由于维护人员的工作失误而造成的设备失控或设备损坏。

BAS系统全称楼宇设备自控系统(Building Automation System-RTU),是以一台微机为中心,由符合工业标准的网络,对分布于监控现场的区域智能分站(即DDC)进行连接,通过特定的末端设备,实现对楼宇机电设备集中监控和管理的专业楼宇自动化控制系统。

系统的目标是对实验室内大多数机电设备采用现代计算机技术进行全面有效的监控和管理,确保实验室内所有设备处于高效、节能、合理的运行状态。通过对实验室进行监控与管理,为实验人员创造更舒适安全的环境。


一般地,对于一幢现代化楼宇,如果选用一套先进的楼宇自动控制系统,并由专业的技术人员编制的优化软件进行控制,业主可以得到:

1由现场控制器全面自动控制所有机电设备,达到一些无法由手动实现的控制功能。

2在中央控制室内,在中央工作站上可以直接监视所有的机电设备,通过监视报警状态了解所有的机电设备是否正常运行,并可以实现记录、打印报表等管理功能。

3减少日常运行维护的工作量,进而减少日常运行维护人员。

4通过最优化控制程序和预设时间程序控制对所有机电设备,实现全面节能,最优的节能效果可达45


【空调及通风系统】

智能通风系统由数字化节能风机、通风管道、可调节的风口末端、分体式能量回收设备、新风处理设备、智能变风量末端、空气品质感应子系统及智能中央控制子系统等组成,系统综合性能优于传统通风系统。

 

智能通风系统具有保障室内空气品质,提高建筑通风安全,节能效果明显、运行管理智能化程度高等特点。



 

智能通风系统可以根据建筑功能和设计需要,集成相关设备及部件组成系统,实现本地和远程智能化控制管理,既满足建筑室内通风功能需求,保障通风安全,又节能降耗。系统可智能感应室内空气品质(或温度、压力等参数),自动控制主风机和支路风机转速,调节送、排风量二可选用将分体式能量回收机组、新风机组与排风机组连成环路,以乙二醇水溶液为能量回收介质,实现排风能量的回收利用该系统特别适用于空调系统与各空间功能及空气品质要求不同、污染程度不一的建筑(如大型医院建筑)。

▲ 实验室智能通风系统

空调机组

风机控制:风机由RTU系统按每天预先编排的时间及需求来控制风机的启停并记录运行时间累积。在配电回路故障条件下禁止开机。

温度控制:根据测量的回风温度与设定值的偏差,进行计算,经比例积分微分(PID)规律控制水调节阀,在夏季工况下,温度高于设定温度时开大水阀,温度低于设定温度时关小水阀,使送风温度维持在设定的范围内。

风门控制:根据测量到的室内外温度,进行计算比较,采用经济运行方式,在满足卫生许可条件下,尽量采用最小新风比例,充分利用室内回风,过渡季节充分利用室外空气的自然调节能力,以达到节省冷量的消耗,同时满足空调的要求。

压差报警:进行过滤网压差检测与阻塞报警。

联动控制:风机、水阀、风门联动控制,在关闭风机时关闭水阀和风门。

检测:回风温度,室外温度,风机状态,手自动状态。

报警:设备故障报警。故障报警同时打印维修派工单,及在上位机反映。

中央监控显示打印:参数,状态,报警,动态流程图(设定值、测量值、状态等)。


▲ 空调机控制原理图

▲ 风机控制原理图


新风机组

风机控制:风机由RTU系统按每天预先编排的时间假日程序来控制风机的启停并记录运行时间累积。在配电回路故障条件下禁止开机。

温度控制:根据要求在设置室外温度检测点,系统将根据测量的室外温度、送风温度与设定温度,进行计算,经比例积分微分(PID)规律控制冷水调节阀,温度太高时开大冷水阀,温度太低时关小冷水阀,使送风温度维持在设定的范围内。

检测: 送风温度,室外温度,风机状态,故障、手自动状态,送风管静压值,风机速。

报警: 风机故障报警。故障报警同时打印维修派工单,及在上位机反映。中央监控显示与打印:参数,状态,报警,动态流程图(设定值、测量值、状态等)。

 

▲ 风机控制原理图

  


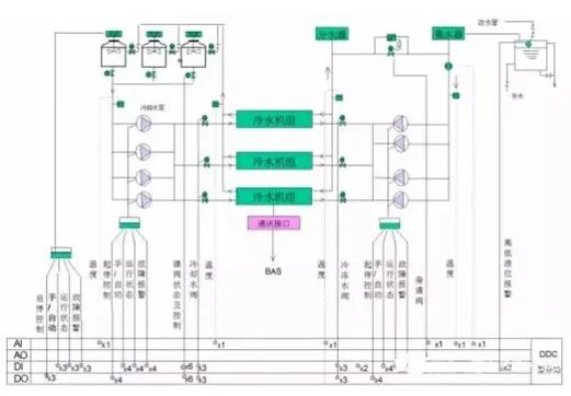
【冷水机组系统】

  冷水机组系统的监控,RTU系统按每天预先编排的时间假日程序来控制冷冻系统的启停和监视各设备的工作状态。

负荷控制:测量冷冻水供回水温度、回水流量,计算用户的实际冷负荷,系统根据计算结果控制冷水机组开启的台数及冷水机组的制冷量,从而实现节能的目的。

压差控制:根据冷冻水供回水压差控制旁通阀的开度,以保证系统供回水温度的平衡。

设备群控:冷水机组系统的群控功能,根据负荷自动启/停冷水机组,并具有设定和修改控制参数功能。冷水机组内的各种状态与过程参数将通过标准接口由冷水机组统上的控制器读取。系统显示冷冻水泵的运行状态和故障报警。

监测:冷水机组系统的运行状态,运行时间累积,各环节水的温度、流量、水位、输入电流、电压.

报警:冷水机组系统故障报警,水温超过限定值报警。故障报警同时打印维修派工单,及在上位机反映。

中央监控显示与打印:
参数,状态,报警,动态流程图(设定值、测量值、状态等)。

▲ 冷源系统控制原理图

【给排水系统】

控制:根据生活水箱、生活水池的水位启停生活水泵;根据污水池的水位控制排污泵的启停。

报警:生活水箱超低水位报警,生活水泵故障报警.故障报警同时打印维修派工单,及在上位机反映。

中央监控显示与打印:水池、生活水箱、污水池水位状态,生活水泵与污水泵状态及报警。


 


▲ 给排水控制原理图


【变配电系统】

  从大厦的安全性考虑,中央监控系统对配电房的有关变配电状况,实行一般实时监视而不作控制,通常强电回路一切控制操作均留给现场有关控制器或操作人员执行。

监测:高压开关、低压开关和母联开关的工作状态;低压配电柜的电压、电流、功率因数、有功电度和无功电度;

报警:变压器超温报警,油箱低油位报警,发电机润滑油超温报警,蓄电池低电压报警,回路超负荷报警,电流超过额定值报警。故障报警同时打印维修派工单,及在上位机反映。

中央监控显示与打印:各设备状态、参数、报警,动态流程图。

【照明系统】

  照明系统的控制采用分回路按时间表自动开关,节省能源,并监测各回路的工作状态。RTU系统按预先编排的时间假日程序来进行照明系统设备的开关控制及监视其状态

正常照明监控:航空障碍灯,走廊等处室内照明;

非正常照明监控:安全照明、应急照明、疏散标志照明;

特殊照明监控:广告、建筑立面的艺术照明。


【电梯系统】

监测:电梯由RTU系统监视电梯的运行状态;

报警:由RTU系统对电梯故障进行报警。


二、通信自动化系统

  通信自动化系统是一个中枢神经系统,它包括以数字式程控交换机为该中心的通信系统,以及通过楼宇的结构化综合布线系统来实现计算机网络、卫星通信、闭路电视、可视电话、电视会议等系统的综合,从而达到楼宇内、市内、国内以及国际间的信息沟通与共享。

系统主要包括:通信网络、电话通信、程控数字交换机系统、语音与传真服务系统、数据信息处理系统、可视图文系统、可视电话系统、会议电视系统


三、办公自动化系统

办公自动化是将现代化办公和计算机网络功能结合起来的一种新型的办公方式。办公自动化没有统一的定义,凡是在传统的办公室中采用各种新技术、新机器、新设备从事办公业务,都属于办公自动化的领域。在行政机关中,大都把办公自动化叫做电子政务,企事业单位就都叫OA,即办公自动化。通过实现办公自动化,或者说实现数字化办公,可以优化现有的管理组织结构,调整管理体制,在提高效率的基础上,增加协同办公能力,强化决策的一致性,最后实现提高决策效能的目的。


四、安全保卫自动化系统

安全保卫自动化系统是以运用安全防范产品和其它相关产品所构成的入侵报警系统、视频安防监控系统、出入口控制系统、防爆安全检查等的系统;或是由这些系统为子系统组合或集成的电子系统或网络安全防范系统。